產品概述
GZS型慣性振動輸送機也稱為長距離振動輸送機,用于各種粒狀、中等塊度以下的非粘性物料(含水量小于5%),如水泥熟料、烘干熱礦炸、砂等,適宜輸送高磨耗、高溫度(300℃以下)物料。

產品特點
1、長距離振動輸送機輸送量大、重量輕、電耗低。
2、安裝方便。不需專用地基和地腳螺栓,便于移動位置。
3、隔震性能好。故適宜水泥熟料及礦渣庫頂輸送。
4、負載特性好。機槽振幅受電壓波動對輸送量的影響很?。黄饎涌?,在滿載情況下均能正常起動;停車快,停車時整機穩定。
5、慣性振動輸送機結構簡單,調試容易,磨損件少,維修量少。

GZS慣性振動輸送機技術參數
參數 型號 | 輸送量(t/h) | 額定振幅(mm) | 電機功率(kw) | 電機轉速(rpm) | 設備重量(kg) |
GZS400-4.7 | ≤50 | 5 | 1.5 | 1410 | ~1400 |
GZS400-5.7 | ≤50 | 5 | 1.5 | 1410 | ~1550 |
GZS400-6.7 | ≤50 | 5 | 1.5 | 1410 | ~1950 |
GZS400-7.7 | ≤50 | 5 | 1.5 | 1410 | ~2100 |
GZS650-4.7 | ≤100 | 5 | 2.2 | 1430 | ~2650 |
GZS650-5.7 | ≤100 | 5 | 2.2 | 1430 | ~2800 |
GZS650-6.7 | ≤100 | 5 | 3.0 | 1430 | ~3200 |
GZS650-7.7 | ≤100 | 5 | 3.0 | 1430 | ~3500 |
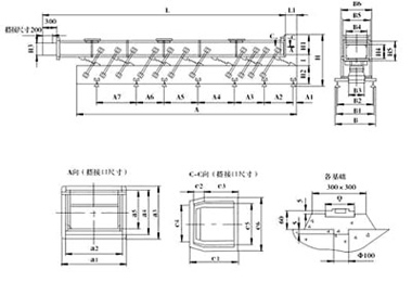
GZS慣性振動輸送機外形尺寸

型號 | H | H1 | H2 | H3 | H4 | H5 | B | B1 | B2 | B3 | B4 | B5 | B6 |
GZS400-4.7-7.7 | ~1350 | 429 | 490 | 240 | 232 | 360 | 840 | 780 | 640 | 500 | 400 | 538 | 670 |
GZS650-4.7-7.7 | ~1500 | 477 | 540 | 280 | 270 | 380 | 1140 | 1000 | 840 | 660 | 650 | 830 | 1010 |
型號 | a1 | a2 | a3 | a4 | a5 | C1 | C3 | C3 | C4 | C5 | C6 | C7 |
GZS400-4.7-7.7 | 538 | 448 | 469 | 380 | 320 | 342 | 98 | 200 | 398 | 448 | 530 | 200 |
GZS650-4.7-7.7 | 830 | 718 | 527 | 422 | 362 | 347 | 98 | 200 | 648 | 718 | 830 | 250 |
型號 | L | L1 | I | A | A1 | A2 | A3 | A4 | A5 | A6 | A7 |
GZS400-4.7 | 4700 | 401 | 310 | 4000 | 180 | 930 | 1300 | 660 | 660 | - | - |
GZS400-5.7 | 5700 | 370 | 310 | 5000 | 400 | 570 | 570 | 1830 | 725 | 725 | - |
GZS400-6.7 | 6700 | 340 | 310 | 6000 | 200 | 645 | 645 | 1385 | 820 | 820 | 820 |
GZS400-7.7 | 7700 | 370 | 310 | 7000 | 180 | 965 | 965 | 1180 | 1045 | 1045 | 1045 |
GZS650-4.7 | 4700 | 337 | 312 | 4000 | 180 | 410 | 410 | 1264 | 635 | 635 | - |
GZS650-5.7 | 5700 | 390 | 312 | 5000 | 180 | 570 | 570 | 1730 | 780 | 780 | - |
GZS650-6.7 | 6700 | 348 | 312 | 6000 | 180 | 625 | 625 | 1410 | 1040 | 880 | 880 |
GZS650-7.7 | 7700 | 365 | 312 | 7000 | 180 | 830 | 830 | 1490 | 1120 | 1120 | 1120 |